Jockey Journal Forum banner
21 - 40 of 42 Posts
thats about right I'd say, ........but when you come to wire it, you might find that it will be neater if the + feed from the battery goes direct to the ignition switch with the 30a fuse/breaker in line,
& the heavy + cable going on it's own to the solenoid from the battery.
purely for a less messy routing,
that way you just have one feed to the switch distributing the power direct from there.
if you see what i mean and closer to the factory diagram as well,
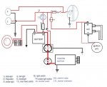
see my diagram BELOW,
I have altered it to add the breakers and remover the idiot lights & hi/lo.
without the oil pressure light & switch you should fit an oil guage off of the rear rocker nut in the right side of the motor for visual safety but if you want a minimalist bike don't fit one
 

Attachments

Discussion starter · #23 ·
thats about right I'd say, ........but when you come to wire it, you might find that it will be neater if the + feed from the battery goes direct to the ignition switch with the 30a fuse/breaker in line,
& the heavy + cable going on it's own to the solenoid from the battery.
purely for a less messy routing,
that way you just have one feed to the switch distributing the power direct from there.
if you see what i mean and closer to the factory diagram as well,
see my diagram BELOW,
I have altered it to add the breakers and remover the idiot lights & hi/lo.
without the oil pressure light & switch you should fit an oil guage off of the rear rocker nut in the right side of the motor for visual safety but if you want a minimalist bike don't fit one
That's great to hear! And I like the cleaner wire routing! Tomorrow I'll sort it all out on the bike. If everything works (I hope) then I'll dedicate the time to Cutting, soldering, organizing and routing all the wires.

I also have the stock frame mounted wire distribution Block in back of the coil so maybe some wires can meet up there for a more tidy look.

Thanks again for all the help!
 
Discussion starter · #27 ·
This is testing if you learned anything.
Come on look at your picture whats wrong?
I like this style of learning!
Hmm...
Maybe...starter should be in between #86 pole on the relay and re-route the starter solenoid (little screw) wire from the #87 pole on the relay, and wire it to the other leg of the starter button.

And...red wire from the ignition switch should go to the #87 pole of the relay?
 

Attachments

Discussion starter · #29 · (Edited)
if you get this heavy duty relay from W&W, you run the hi tension leads to the starter solenoid (not shown but between the relay & the starter motor) directly straight off of it for less wiring https://www.wwag.com/cgi-bin/WebObjects/WebSite.woa/wa/DirectAction?page=!185973.

& THIS is how you wire it (& ANY relay) all up
oh man! thats right! the ground wire.
Image


Thanks a bunch man! Thats a really nice relay as well! so here is my updated diagram with that ground start button taken care of.

Image
 
so that when the relay sends power via the hi-tension cable to the solenoid,
it at the same time (via the 'bridging' wire) 'excites' the solenoid so it engages the clutch throw out arm engaging the bendix to the ring gear,
at the same time it shunts the Hi-tension feed to the starter via the hi-tension shunting contacts within the dual function solenoid,
It performs the2 things at the same time, but seperatly so to speak from the same unit.
if this does not happen the starter will not spin & not turn the motor over,
which is the whole point of the solenoid.....
you are complicating it by wanting to use a small low tension relay instead of the stock harley type relay or the heavy duty small relay from W&W as shown to you in a previous post,...
as you do not seem to want to listen & just do it & keep asking various people the same questions repeatedly after being told how to do it I am out of here,
 
I will. I'm just curious, you bridged the little side pole on the starter solenoid to the battery positive terminal on the starter solenoid?
This is a factory wiring that added a Ford type solenoid so that you could not walk up and jump the primary mounted solenoid. Think made it a little harder for a thief, but not needed. A bosch style relay does the job.
 
21 - 40 of 42 Posts